Giới thiệu
Mỗi loại có hai loại: loại thông thường và loại dừng nhanh. Loại thông thường sử dụng tấm đen và núm đen, loại dừng nhanh sử dụng tấm vàng và núm đỏ.
Phân loại, mô hình và mã
Loại cơ bản được sử dụng để điều khiển mạch thông thường.
Mã thông thường cho kiểu cơ bản:
HZ12-16101、HZ12-25101、HZ12-40101
Mã thông thường cho loại dừng nhanh:
H212-16/02、H212-25/02、H212-40102
Kích thước sản phẩm của 25A và 40A là như nhau.
Kích thước lắp đặt của các loại 16A, 25A và 40A là như nhau.
Có hệ thống bảo vệ đầu cuối cho tất cả các loại.
Công tắc loại GS được áp dụng cho các máy móc yêu cầu kiểm soát bằng khóa an toàn trên công tắc.
Nó cho phép người dùng đặt khóa an toàn vào vị trí mở (0) và vị trí đóng (1). Mã thông thường cho công tắc dừng nhanh:
H212-16/04、HZ12-25/04、HZ12-40/04
Công tắc khóa chìa áp dụng cho máy móc yêu cầu điều khiển bằng chìa khóa trên công tắc.
Nó khóa công tắc ở vị trí ngắt (0).
Mã thông thường cho công tắc khóa chìa:
HZ12-16/05、H212-25/05、H212-40/05
Công tắc loại khóa liên động GS được áp dụng cho các máy móc yêu cầu kiểm soát bằng khóa và kết hợp với hệ thống khóa liên động cửa.
Mã thông thường của công tắc khóa liên động GS:
HZ12-16/08、H212-25/08、HZ12-40/08
Phải tắt nguồn điện trước khi mở tủ điện. Và cơ chế khóa liên động sẽ giải phóng công tắc khi cửa được mở. Và khôi phục khi cửa được đóng.
Công tắc khóa liên động bằng chìa khóa được áp dụng cho các máy móc yêu cầu kiểm soát bằng chìa khóa và kết hợp với hệ thống khóa liên động cửa.
Mã thông thường cho công tắc khóa liên động:
HZ12-16/09、H212-25/09、H212-40/09
Phải tắt nguồn điện trước khi mở tủ điện. Và cơ chế khóa liên động sẽ giải phóng công tắc khi cửa được mở và khôi phục lại khi cửa được đóng.
Loại tay cầm


Loại thông thường Loại dừng nhanh Gs loại thông thường Loại dừng nhanh GS A loại Loại dừng nhanh GS A loại
Thông số kỹ thuật
| Mô tả | HZ1 2 - 1 6 | HZ1 2-25 | HZ1 2-40 | |
| Dòng điện nhiệt định mức Ith | A | 16 | 25 | 40 |
| Điện áp làm việc định mức Ue | V | 240 440 | 240 440 | 240 440 |
| Dòng điện làm việc định mức | ||||
| AC-3 A | 11 | 15 | 30 | |
| AC - 1 5 A | 8 6 | 12 8 | 22 12 | |
| AC-23 A | 30 | |||
| AC-21 A | 16 | 25 | 40 | |
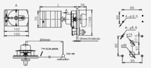
Kích thước và lắp đặt
HZ12-Khoảng/01, HZ12-Khoảng/02


| Mô tả | Lmax (mm) | |
| HZ12-16 | 86 | |
| HZ12-25 | 89 | |
| HZ12-40 | 89 | |
HZ12-Khoảng/03, HZ12-Khoảng/04


| Mô tả | Lmax (mm) | |
| HZ12-16 | 86 | |
| HZ12-25 | 89 | |
| HZ12-40 | 89 | |
Z12- 口/05, HZ12- 口/06


| Mô tả | Lmax (mm) | |
| HZ12-16 | 107 | |
| HZ12-25 | 110 | |
| HZ12-40 | 110 | |
Z12-Khoảng/07.1~5, HZ12- Khoảng/08.1~5


| Mô tả | Lmax (mm) | |
| HZ12-Khoảng/07.1 HZ12-Khoảng/08.1 | 145~149 | |
| HZ12-Khoảng/07.2 HZ12-Khoảng/08.2 | 170~174 | |
| HZ12-Khoảng/07.3 HZ12-Khoảng/08.3 | 195~199 | |
| HZ12-Khoảng/07.4 HZ12-Khoảng/08.4 | 220~224 | |
| HZ12-Khoảng/07.5 HZ12-Khoảng/08.5 | 245~249 | |
Z12- 口/09 1~5, HZ12- 口/10 1~5


| Mô tả | Lmax (mm) | |
| HZ12-Khoảng/09.1 HZ12-Khoảng/10.1 | 168~17 | |
| HZ12-Khoảng/09.2 HZ12-Khoảng/10.2 | 193~196 | |
| HZ12-Khoảng/09.3 HZ12-Khoảng/10.3 | 218~221 | |
| HZ12-Khoảng/09.4 HZ12-Khoảng/10.4 | 243~246 | |
| HZ12-Khoảng/09.5 HZ12-Khoảng/10.5 | 268~271 | |
Yêu cầu báo giá ngay
Đội ngũ của chúng tôi sẽ liên hệ lại với quý khách trong vòng 24 giờ.






