Technical parameters
| Rated thermal current Ith A | 10 |
| Rated working voltage Ue V | 240 250 |
| Rated working current le | |
| AC-15 Double breakpoint A | 2 |
| AC-15 single breakpoint A | 1 |
| DC-13 Double breakpoint A | 1.1 |
| DC-13 Single breakpoint A | 0.5 |
Mechnical life
Mechanical life without load: 0.03×10^ times, operation frequency is 120 times/hMechanical life with load: AC-15,0.01×10*times operation frequency is 300 times/hDC-13.0.01×10″times operation frequencyis 300 times/h
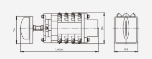
Dimensions and installation


Spring return :Lmax=130+18n(n for number of layers )Others :Lmax=141+18n(n for number oflayers )


Request a Quote Now
Our team will get back to you within 24 hours.






